6 axis palletizing robot 10kg load-bearing industrial robotic arm
Model:NKRT61510A
Payload:10kgs
Arm range:1497.8mm
Application:palletizing, load & unload, pick & place, welding, painting etc.
SPECIFICATION
| axis | max payload | repeated location | power capacity | usage environment | installation |
| 6 | 10 | ±0.05mm | 2.5kw | 0°~ 45° | ground/side wall |
| working range J1 | J2 | J3 | J4 | J5 | J6 |
| ±170° | -70°~+170° | -85° ~+90° | ±360° | ±120° | ±360° |
| Max speed J1 | J2 | J3 | J4 | J5 | J6 |
| 138°/s | 138°/s | 223°/s | 168°/s | 270°/s | 337°/s |
working range
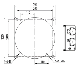
A-dir end joint flange size:

B-dir base installation:

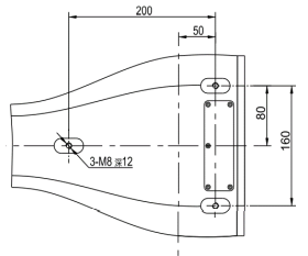
C-dir soldering macahine installation:

Reducer is the most important part for robot, NEWker-CNC using the famous Chinese brand LeaderDrive for RV and harmonic reducer, because of the robot controller is our own design, the robot is suitable for widely area, and also can control all kinds of structure robot, like ABB, Kuka, Kawasaki, Fanuc etc.
NEWker-CNC robot controller from 2 to 24 axis, robot arm from 4kg to 160kg, with teach function, G code, offline program, search function, vision function, tracking function etc, be competent in any field, like welding, palletizing, load and unload, handling, polishing etc, making practical and ideal robot products to service the world.
NEWKer produces robotic arm and control are widly applicated in welding, cutting, palletizing and handling.
In addition to these, we can also provide various personalized applications, such as inkjet, making coffee, carving, writing, etc. replaces all areas of labor.
Provide different fixtures for different need in automotive, military, construction, agriculture, aerospace and other fields.
NEWker operations are also simple and easy to use.
NEWker is the first manufacture in China got dual channel drive and the first manufactuer in the world to apply G codes with robotic arm.







